Stęszew ul. Akacjowa
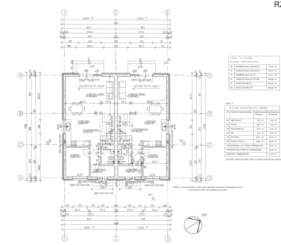
ilość lokali: 2
działka: 772m2
powierzchnia użytkowa: 109m2
rodzaj inwestycji: budynek jednorodzinny dwulokalowy
Etap realizacji: Sprzedane
Standard wykonania domu:
- Ławy fundamentowe żelbetowe zbrojone
- Ściany fundamentowe wykonane z bloczków betonowych
- Izolacja ścian fundamentowych styropianem 10 cm AQUA
- Posadzki betonowe zacierane maszynowo izolowane przeciwwilgociowo i cieplnie styropianem
- Ściany zewnętrzne – konstrukcyjne murowane z cegły ceramicznej Poroton 24 cm
- Podwójna ściana oddzielająca lokale, wykonana z cegły dźwiękoszczelnej SILKA (2 x 18 cm + 2 cm styropianu między ścianami)
- Ściany działowe wykonane z Suporexu 12 cm
- Strop betonowy TERIVA
- Schody wewnętrzne żelbetowe przygotowane pod stopnie drewniane
- Strych około 25 m2 z podłogą OSB o grubości 22 mm + schody amerykańskie (bez ocieplenia)
- Instalacja wod-kan, c.o.
- Instalacja wodna wyprowadzona na zewnątrz (kran + wyprowadzenie wody pod system automatycznego nawadniania ogrodu)
- Instalacja elektryczna trójfazowa (bez osprzętu)
- Instalacja przygotowana pod system alarmowy
- Instalacja przygotowana pod monitoring zewnętrzny (dla 2 kamer)
- Instalacja RTV (w każdym pokoju przygotowane podejście pod odbiornik RTV)
- Instalacja internetowa (w każdym pokoju przygotowane podejście)
- Tynki maszynowe gipsowe (bez szpachlowania)
- Kocioł gazowy kondensacyjny dwufunkcyjny marki BOSCH/JUNKERS condens gc2200w 20/25c 2f
- Ogrzewanie podłogowe na całym parterze oraz w górnej łazience
- Białe grzejniki stalowe w pokojach na poddaszu
- Ocieplenie poddasza pianą poliuretanową o wysokiej izolacji cieplnej
(λ = 0,036-0,038 W/mK) - Sufit poddasza wykończony płytą kartonowo-gipsową (bez szpachlowania)
- Ściany zewnętrzne ocieplone 15 cm styropianem (λ = 0,040 W/mK) wykończone białym tynkiem silikonowym
- Parapety zewnętrzne w kolorze winchester
- Okna PCV (profil 6-komorowy, trzyszybowy) wraz z roletami zewnętrznymi w kolorze winchester (od wewnątrz w kolorze białym)
- Roleta okna tarasowego sterowana elektrycznie
- Drzwi wejściowe stalowe w kolorze winchester
- Murowana oraz otynkowana ścianka odgradzającą sąsiada na wysokości tarasu
- Ogrodzenie działki z siatki stalowej powlekanej w kolorze grafitowym wraz z krawężnikiem betonowym
- Ogrodzenie frontowe działki wykonane z paneli 2D w kolorze grafitowym wraz z krawężnikiem betonowym (brama dwuskrzydłowa + furtka wykonane z paneli 2D)
- Dach pokryty dachówką ceramiczną CREATON TITANIA w kolorze czarny mat
- Wszystkie media podłączone do budynku: prąd, gaz, woda, kanalizacja + dostęp
do internetu światłowodowego.





